Projects and Case Studies

Here you will find a small selection of our previous projects and assignments.

House Extension Project (3D Model)

(Requires WebGL to be installed in order to view)

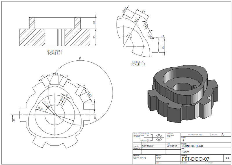
Turnstile Head

Brief included

  • Convert client sketches into 3D solidworks parts and assemblies
  • Check parts for hole alignment and collision detection
  • Create Bill of Materials
  • Create 2D fabrication drawings
  • Generate dxf files for laser cutting

Additional drawings of this project:

Print | Sitemap
© sketch-cad.co.uk